Driven by Innovation, Smart for the Future.
Fluid Kinetic Energy Conversion
Solution for the Four Quadrant Frequency Drive water pump residual pressure power generation project
Fluid Kinetic Energy Conversion View volume: 152

Ⅰ. Overview

The customer’s company has a system as shown below, with a means of conveying the condensed water under the residual pressure after going through the steam trap (It is the excessive high-pressure energy remained after meeting requirement of conveying process and user end) which is usually called “residual pressure condensate return”. The residual pressure condensate return system is a simple equipment as the most commonly way for condensate recovery method.

Now, in order to make full use of the water flow during the recovery of condensed water, a water pump with an impeller (coaxial with a permanent magnet synchronous motor) is installed in the pipeline. The resistance generated by the flow of condensed water on the impeller enables the permanent magnet synchronous motor to generate electricity.

1

Ⅱ. Solution

1. Working principle and action princple of the equipment

2

3

Armature reaction: After the motor is loaded, the fundamental wave of the armature magnetomotive force causes both the magnitude and position of the air-gap magnetic flux to change in the air gap. This kind of influence is called armature reaction.

The nature of the armature reaction depends on the included angle ψ between the unload electromotive force E0 and the armature current I.

The armature reaction is an important physical phenomenon when the synchronous motor is operating loaded. It is not only the main cause of the change in the terminal voltage, but also the key link for the motor to achieve the conversion of mechanical and electrical energy.

When the motor operates in the electric drive mode, the current in the stator windings flows from the frequency inverter to the motor. When the motor is in the generating mode, the current in the stator windings flows from the motor to the frequency inverter. The frequency inverter controls the motor's state quantities through hardware and software, such as the motor speed and torque output in the electric mode, and the motor-side voltage and current in the generating mode, etc

The prime motor in the picture is the impeller which is washed by the water current.

Electromagnetic torque: The armature winding of the generator cuts the magnetic field lines to induce an electromotive force under the drive of the prime motor, and then generates current. When the current flows through the armature winding, the magnetic field generated and acts on the rotor. The rotor will be affected by the magnetic field to generate an electromagnetic force, thus forming an electromagnetic torque. This torque is in the opposite direction to the torque of the prime motor, and its magnitude is proportional to the output current. The torque of the prime motor overcomes the electromagnetic torque to keep the generator rotating at a constant speed. In this way, mechanical energy is converted into electrical energy and transmitted out.

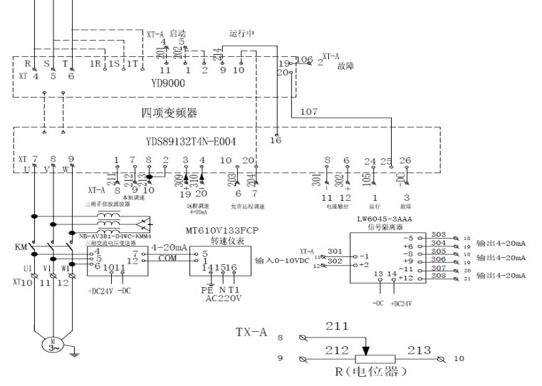
2. Electrical schematic diagram

5

6

3. Specifications of the four-quadrant frequency inverter

The rated current of the motor is 194A, the motor speed is 750 rpm, the rated torque is 1680 N·m, and the rated power is 132KW. The cable between the power distribution room and the water tower motor is over 150m. Based on the motor model, Yolico has selected a 132KW four-quadrant frequency inverter with a rated current of 250A.

To reduce the pulse current in the output cable and the motor and extend the motor's service life, it uses a longer cable connection between the frequency inverter and the motor. Therefore, Yoilco has installed a sine-wave filter between the frequency inverter and the motor.

7

Filter connection method

Note:The capacitor cannot be directly connected on the output side of the frequency inverter.

8

4. Commissioning Steps

Under the condition of no filter and unload on the motor shaft, the frequency inverter proceeds a self-learning action according to the motor parameters. Dr30: 2 times phase resistance, Dr31, Dr64: 2 times phase inductance.

9

The filter parameters need to be download to the inverter’s motherboard after the installation.

The input parameters should be phase resistance and phase inductance.

10

Modify the relevant parameters to make the filter parameters take effect.

11

In actual use, it is possible to achieve the switching between local and remote.

12

The “Analog Input Channel 1 ” is connected to the local potentiometer, the “Analog Input Channel 2” is connected to the remote signal 4-20mA.

Switch between channel 1 and channel 2 by closing/opening terminal I1 and the common terminal.

13

5. The situation on-site

During power generation, the effective power of the frequency inverter is negative, a large current flows through the coil part of the filter, resulting in excessive heat. As it’s impossible to install convection fans on the left and right sides of the frequency inverter, the fans can only be installed on the top of the cabinet for heat dissipation. It is normal for the cabinet's internal temperature to be about 30℃ and the coil part to be about 70℃.

14

15

Ⅲ. Features of the solution

Under an ideal situation (with the water tower at the height of 10m and the water flow rate of 4000~5000 m³/h), referring to the reading on the watt-hour meter installed on the front of the incoming power line, the four-quadrant frequency inverter transmits around 80-90kW of power to the power grid, ( the power self-consumption of the frequency inverter at full-load is not more than 3%).

When it reaches 80kW/h, it is about RMB2000 per day, it means a profit of RMB80 per hour.

If it runs 24 hours per day, it is about 80 kWh. At a rate of RMB1.0 / kWh, it is about RMB80 per hour.