Driven by Innovation, Smart for the Future.
Air Conditioning Temperature Control
Solution for the evaporative cooling integrated machine project
Air Conditioning Temperature Control View volume: 176

Ⅰ. Overview

The evaporative and cooling AIO( all-in-one) unit usually uses chilled water as the medium to transmit the cooling energy. The chilled water exchanges heat with the refrigerants in the evaporator of the chiller. After releasing the heat to the refrigerants, the chilled water is pumped through a water pump and pipes to various air-conditioning devices to exchange heat with the air to be treated. Then the chilled water returns to the evaporator of the chiller through return water pipe and the cycle repeats.

Ⅱ. Solution

1. The working principle and operating principle of equipment.

The compressor of the evaporative and cooling AIO (all - in – one) unit inhales the low-temperature and low-pressure refrigerant gas from the evaporator, compresses it into high-temperature and high-pressure gas, and then discharges it into the condenser to exchange heat with chilled water, turning it into low-temperature and high-pressure refrigerant liquid.

Compressor

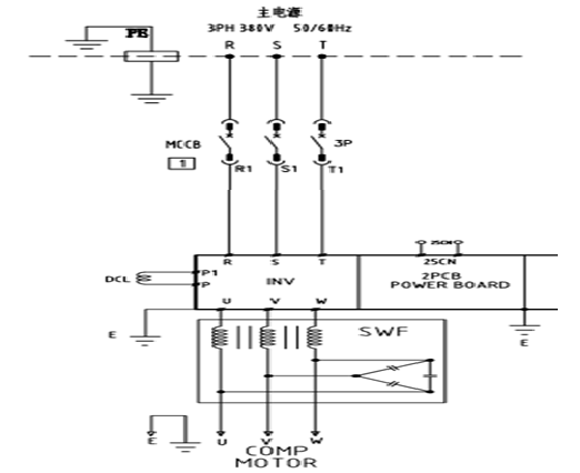
2. Electrical schematic diagram

3. Inverter specifications

Motor parameters:
The rated current of the motor is 250A. it’s with a sine wave filter; the filter’s parameters need to be confirmed.

According to the motor parameters of the magnetic motor, Yolico chooses the liquid & air-cooling frequency inverter with rated 300A and 160kW. Besides, Yolico installs a sine wave filter between the frequency inverter and motor.


Frequency inverer

The connecting method of filter
Note:The capacitors cannot be directly connected on the output side of the frequency inverter.

4. Commissioning step

With unload on the motor shaft, the equipment proceeds a self-learning action following the motor parameters. Dr30: 2 times phase resistance, Dr31, Dr64: 2 times phase inductance.

Download the filter parameters to the inverter’s motherboard after installing the filter. The input parameters are all phase inductance and phase resistance.

Modify the corresponding parameters to make the filter’s parameters take effect.

5. The operation status on-site

The customer requires the inverter can drive the motor steadily under different working conditions.