Driven by Innovation, Smart for the Future.
Metallurgical Steelmaking
Solution for the Retrofitting Project of Shanxi Jinnan Iron and Steel Belt Conveyor
Metallurgical Steelmaking View volume: 177

Ⅰ. Overview

IMG_256

IMG_256

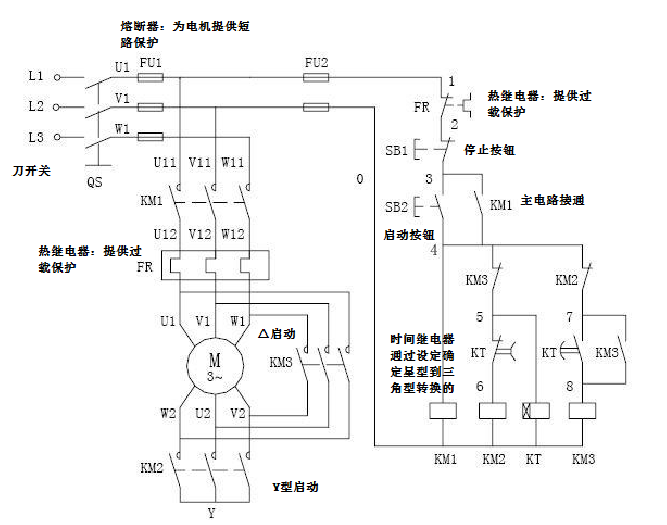
In the plant area of Shanxi Jinnan Group Co., Ltd., there are many blast furnace workshops used for ironmaking. Iron ore and coke are carried to the top of the blast furnace by belt conveyors and poured into it. Before the retrofitting, the three-phase asynchronous motor was started through the soft start device ( star-△start) to drive the roller (there is a reducer between the motor and roller), and the roller drives the belt conveyor.

IMG_256

IMG_256

The star-△start circuit is as shown below. Although it reduces the starting current compared with directly starting, the motor and reduces the shock on the power grid, it cannot achieve the speed regulation of the motor, making the motor always operate at the power frequency (the input voltage of the motor always equals to the power grid voltage, and the input voltage of the motor is directly proportional to the reactive current. The higher the input voltage, the bigger the reactive current), which has caused a considerable amount of energy waste.

IMG_256

In order to achieve carbon peak and carbon neutrality well, Shanxi Jinnan Iron and Steel Group Co., Ltd. has actively carried out energy-saving retrofitting of the production equipment. It has replaced the soft starting device of the belt conveyor with a frequency inverter for starting, which not only includes the soft starting function (it can achieve zero-speed and zero-voltage starting and reduce the starting current), but also improves the power factor of the motor by adjusting the frequency (changing the input voltage of the motor to be lower than the power grid voltage), thus reducing the power consumption of the entire belt conveyor equipment.

IMG_256

Ⅱ. Solution

1. The frequency inverter specification

The rated current of the motor is 290A, the motor speed is 1,485 RPM, and the rated power is 160kW. The cable between the switchgear room and the belt conveyor motor exceeds 150 meters. According to the motor model, the company has selected a 200KW frequency inverter with a rated current of 370A. In order to suppress the high-order in the power grid and prevent the frequency inverter from being interfered. Yolico has installed an EMI input filter at the input end of the frequency inverter. It cannot only play a compensating role but also improve the power factor of the entire set of equipment (energy-saving). In order to reduce the pulse current in the output cable and the motor and extend the service life of the motor, we use a longer cable connection between the frequency inverter and the motor. Therefore, Yolico has chosen to install a DC reactor on the busbar of the frequency inverter (to reduce the busbar ripple coefficient and decrease the current pulsation value), and an output reactor is installed between the frequency inverter and the motor. Both of these measures can improve the power factor of the entire system (energy-saving).

Photos of the frequency inverter cabinet

IMG_256

IMG_256

2. Commissioning steps

With unloads on the motor shaft, the frequency inverter proceeds a self-learning action according to the motor parameters. Dr30: 2 times phase resistance, Dr31, Dr64: 2 times phase inductance.

IMG_256

IMG_256

Ⅲ. Conclusion

According to the calculation of the smart meter in front end of the frequency inverter, and compared with the operation during soft starting, one 160 KW belt conveyor can save about 200KWH of power consumption in 24hours. So, if change all belt conveyors, fans and water pumps (which belong to quadratic square load and the energy-saving effect will be remarkable after reducing the frequency) from soft start to frequency inverters control, the economic benefits by reducing energy conservation will be substantial.