Driven by Innovation, Smart for the Future.
Mineral Resources
Vertical shaft multi-rope friction cage hoisting system
Mineral Resources View volume: 253

1. Overview

The mine hoist is the main conveying tool in connecting ground and underground. The mine hoist work is a significant part during entire mining project. The ore extracted from the underground can obtain practical value only after being lifted out. All lifting tasks — including the hoisting of waste rock, workers, materials and equipment — rely on the hoist.

1

External Photos of Project

2

Photos of external rotor motor: 630 kW

3

Left: Yolico frequency inverter (Drive) (YSD8000T4 series/800kW, equipped with a closed-loop SinCos card )
Right: Control panel

4

Left: Cage type
Right: Structures

5

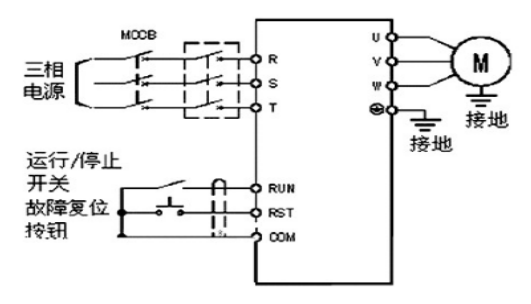
2. Solution

a. Electrical schematic diagram

There is a certain distance between the frequency inverter (Drive) and the motor. Both of them should be ready to properly grounded.

6

b. Frequency Inverter (Drive) Specifications

The rated power of the external rotor synchronous motor is 630KW, the rated current is 1007A, and the rated speed is 50.3rpm. According to the motor model, Yolico has selected a YDS8800 T4 WN-S frequency inverter (Drive) with a rated current of 1250A (equipped with a sincos encoder card).

7

c. Frequency inverter (Drive) commissioning

Confirm the position of the encoder through self-learning with an unloaded state of the equipment to make sure it operates normally. Then put the steel wire rope on the roller and keep the equipment in a heavy load, and make a fine adjustment of the parameters.

8

d. On-site operation status

The following figure shows the waveforms when the winch is hoisting and lowering at a speed of 1.5 rpm.

Note: Red (speed instruction), blue (actual speed), green (torque), yellow (current).

9

The following figure shows the waveforms lifting a heavy load at a speed of 1.5 rpm.

Note: Red (encoder speed), blue (actual speed), green (torque), yellow (current).

10

The following figure shows the waveforms lifting a heavy load at a speed of 1.5 rpm.

Note: Red (actual speed), blue (speed instruction), yellow (torque), yellow (current).

11

The following figure shows the waveforms lifting a heavy load at a speed of 1.5 rpm.

Note: Red (actual speed), blue (speed instruction), green (torque), yellow (current).

12

The following figure shows the waveforms lifting a light load at a speed of 12.5 rpm.

Note: Red (actual speed), blue (encoder speed), green (current), yellow (torque).

13

3. Solution Features

The hoists used in vertical well have applied a permanent magnet motor and a built-in multi-rope friction as well as adopted a 380V frequency inverter (Drive) to an external rotor synchronous motor. Compared with customer’s previously regular 380V frequency inverter (Drive)+asynchronous motor + speed reducer + roller , it reduces the maintenance and repairing cost. Meanwhile, compared with the high-voltage 10KV frequency inverter (Drive)+ 10KV motor and roller, it also reduces the procurement cost.

4. Conclusion

The annual output of domestic mines is less than 200,000 tons and the depth of mines is usually less than 200m vertically. Most of them adopt inclined shaft hoisting.

The annual output of fluorite mine in customer’s mining area is expected to reach 600,000 tons. Most depths of the mining area are more than 600m vertically. Therefore, they adopt vertical hoisting. For both vertical hoisting and inclined shaft hoisting, our company’s YDS8000 series frequency inverter (Drive) (equipped with sincos encoder card) can be perfectly adapted.

In addition, during this test, the mining company increased the load to 110% of the rated load. When the winch was running at a speed of 0.5 rpm, it also worked stablely.

14